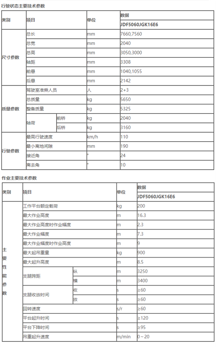
国六东风16米高空作业车是一款双排座高空作业车,采用东风原装双排驾驶室底盘,三节折臂式臂架,H型支腿,稳定性好,安全性高,**大作业高度达16米,用于抢修电力、通讯、路灯等高空作业.

国六东风16米高空作业车(双排)





国六东风16米高空作业车产品特点:
1、臂架和支腿均采用4-5㎜低合金Q345型材,上下臂截面230×230×4和200×200×4,支腿箱截面230×160×5和215×145×5;型材变形小,受力大,强度高;
2、臂架与转台各转动联结轴套采用专用工装定位,焊后用龙门加工中心加工,保证配合精度;
3、油缸首尾轴套和缸座联结轴套加长,增大接触面,受力更稳定;
4、吊臂臂头、下臂臂头和上下臂升降油缸缸座结构设计更新,连接更稳固和可靠,外观更漂亮;
5、各转动连接部位增加自润滑轴承,动作更灵活,配合精度更高,维修更换轴承更方便;
6、切割件采用激光切割下料,外型美观,精度高;
7、结构件及配套件轻量化设计,减重重量,节省燃油;
8、H型支腿稳定性好,支腿可同时或单独操作,操作灵活,能适应多种工况;
9、支腿加装保护罩,支撑更稳定;
10、回转机构采用可调节式,方便调节;
11、转台双向360°连续回转,采用了**的涡轮蜗杆式减速机构(具有自润滑和自锁功能),后期维护也可方便的通过调整螺栓位置轻松达到效果;
12、上车操作采用集成电控阀块模式,布局美观,操作平稳,维护方便;
13、下车与上车互锁,操作安全、可靠;
14、上车操作通过节流阀实现手动无极调速;
15、工作平台采用拉杆机械式调平,更加稳定和可靠;
16、转台和吊篮设有启动和熄火开关,操作方便,节省燃油;
17、操作方位全部更新到车辆右侧,保证操作人员安全;
18、外观涂装设计更新,颜色搭配更靓丽;






联系人:
手机:
Q Q:
微信:
地址:随州市北郊星光工业园特1号
QQ咨询
13377810718